공머씨의 블로그
내가 공부한 논리회로설계 20.Other Gates (NOR,NAND) 본문

조합 회로에서 공부하지 않은 부분들에 대해서 먼저 공부해보겠습니다.
초반에 NOT AND OR게이트를 공부했습니다.
실제로는 NOT AND OR게이트보다 NAND 게이트 NOR 게이트를 많이 사용한다고 합니다.
NAND NOR 게이트는 디지털 시스템 설계에서 가장 기본이 되는 게이트입니다.
이 둘을 이용해서 랩치, 플리 플롭들을 만듭니다. 이로써 순차 회로를 이해하게 되는 것입니다.
그 외에도 Exclusive OR, Exclusive AND게이트를 공부합니다.
(줄여서 XOR, XNOR)
이제부터 몇개의 포스트에 걸쳐 NAND NOR XOR XNOR 4가지 게이트의 특성에 대해서 살펴봅니다.
Buffer
초반에 내공논 ??에서 NOT게이트 출력쪽에 그린 동그라미를 Bubble이라고만 이야기했는데 이게 무슨역할을 하는지 더 알아보겠습니다.
NOT 게이트에서 버블을 (동그라미 모양) 제거한 것을 "Buffer"라고 합니다.
Buffer은 말 그대로 입력과 출력이 동일합니다.
입력이 1이면 출력이 1, 입력이 0이면 출력이 0입니다.
???? 그럼 왜 사용하는 거지?????
그냥 출력하는 것과 뭔가를 거쳐서 나온다는 차이가 있습니다.
딜레이를 위해서 사용한다고 합니다.
x의 신호가 약간 딜 레에 되어서 출력이 됩니다. 그 딜레이는 상상할 수 없을 정도로 아주 작은 시간입니다.
정밀한 회로를 만들기 위해서 사용한다고 생각하면 됩니다.
3-state buffer이라는 것도 있는데 이에 대해서는 추후에 공부하도록 합니다.
이번 시간에 공부할 것은 NAND게이트, NOR 게이트입니다.
또한 XOR, XNOR이라는 게이트도 있습니다.
(exclusive-OR) (exclusive-NOR)입니다.


NAND Gate
AND를 연산한 뒤 그 NOT을 출력합니다. 즉 AND gate의 complement라고 할 수 있습니다.
입력이 2개인 경우에
다음과 같은 모양을 가집니다.

AND의 NOT이므로 AND, NOT의 그림을 각각 그리면 됩니다.
버블 모양은 이전에 공부했듯이 보수연산을 한다. 즉 출력값을 반전시킨다는 의미입니다.
진리표를 작성해보면 다음과 같습니다.

NAND의 출력이 F인데
F를 생각하기에 앞서서 AND의 값을 먼저 생각합니다.
NAND값을 외우면 됩니다.
AND를 0001로 외우는 것처럼 NAND도 외워야 한다고 하십니다.
다음과 같이 작성할 수 있겠습니다.

타이밍 다이어 그램으로 나타내면 다음과 같습니다.

입력이 둘 다 1일 때 출력이 0이 되는 것만 기억하면 됩니다.
그리고 NAND게이트에 있는 칩이 있는데
이 칩의 이름은 7400입니다.
실제로 AND게이트나 OR게이트보다 NAND게이트가 범용적으로 가장 많이 사용됩니다.

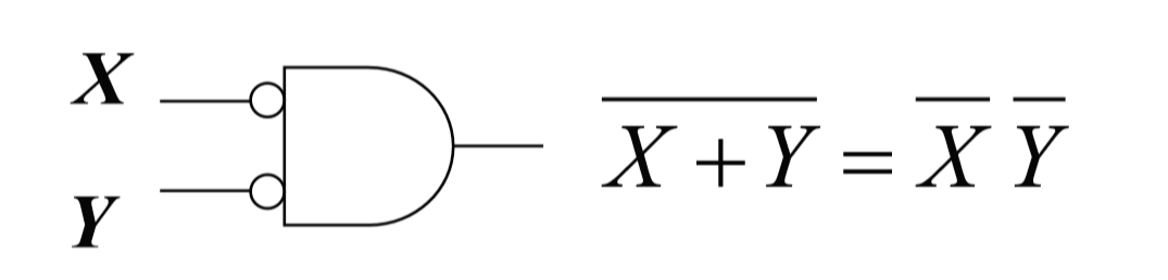
NAND와 등가의 회로가 하나 있습니다.


식은 드 모르간 법칙에 의해서 위와 같이 작성할 수 있는 것입니다.
/X+/Y=/(XY)가 잘 와 닿지 않는다면
/(XY)=/X+/Y라고 생각해보면 될 겁니다.
입력이 3개 일 때의 NAND게이트를 생각해봅시다.
X, Y, Z에 AND연산을 한 뒤 전체에 NOT을 취하면 됩니다.
진리표는 다음과 같이 작성할 수 있습니다

게이트의 생김새는 다음과 같습니다.

타이밍 다이어그램으로는 다음과 같이 작성할 수 있습니다.

NAND게이트를 Universal게이트라고도 하는데 NAND게이트를 여러 개 조합해서
NOT AND OR게이트를 모두 만들 수 있습니다.
IC7400 칩만 있어도 모든 게이트를 만들 수 있습니다.
-1.NAND게이트 하나로 NOT게이트를 만들 수 있습니다.
2 Input NAND게이트에 입력을 묶어서 사용하면 됩니다.
NAND 입력을 X, Y라고 하고 출력을 F라고 한다면,,,
X에 1을 넣는 경우를 빨간색,
0을 넣는 경우를 파란색으로 표시해보았습니다.
다음 그림과 같습니다.

1을 넣었더니 0이나 오고 , 0을 넣었더니 1이 나왔다.
>> NOT게이트가 됩니다.
-2.NAND게이트로 AND게이트 만드는 방법에 대해 알아봅시다.
바로 위에서 공부한 NAND를 NOT게이트로 바꾸는 방법을 알고 있다면
다음 그림을 보고 NAND게이트로 AND게이트를 어떻게 만드는지 쉽게 이해할 수 있습니다.

-3.NAND게이트로 OR게이트 만드는 방법을 알아봅시다.

입력 2개를 NAND2개를 이용해 NOT으로 출력시키고 여기에 NAND연산을 한 번 더 하게 되면 전체에
OR연산이 됩니다.
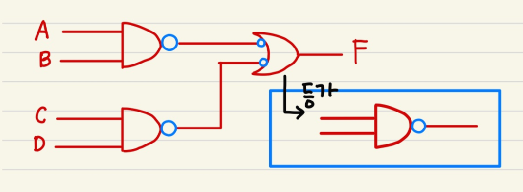
예제1.
우리가 만약 어떤 회로를 sop로 최적화를 하였습니다. 그래서 다음과 같은 함수가 나왔다고 합니다.

회로를 구현할 수 있습니다.

이런 형태의 회로를 NAND를 사용하면 쉽게 구현이 가능합니다.

아래 회로는 이전의 회로와 같은 기능을 합니다.
NOT을 취한 뒤 게이트를 거치기 이전에 다시 NOT을 취했기 때문입니다.
Second Stage에 있는 회로를 하나의 Nand게이트로 바꾸어 줄 수 있습니다.
모든 회로가 다음과 같이 NAND로 표현 가능하게 되었습니다.

SOP로 최적화했다면 회로를 구현할 수 있는데 아주 쉽게 NAND게이트를 사용해서 표현이 가능하다는 겁니다.
예제2

NAND만을 사용해서 회로를 구현하라고 한다면,,,
- 일단 카르노 맵을 이용 해서 F를 SOP로 최적화합니다.
- NAND로만 표현한다.
카르노 맵으로 그리면 다음과 같습니다.

이를 이용해 회로를 구현하면 다음과 같습니다.

NAND만을 이용해 표현하라는 것이 문제였으므로 다음과 같이 AND와 OR사이에 NOT NOT을 붙입니다.

Z에 Bubble(동그라미)을 붙일 Gate가 없어요.라고 하면 안 되고 NOT게이트를 그려주면 됩니다.
세 번째 Stage에 있는 회로는 NAND와 등가입니다.
NOT게이트들은 NAND로 쉽게 바꿀 수 있습니다.

NOR 게이트에 대해서 공부해보겠습니다.
NAND게이트와 비슷합니다.
NOR은 OR의 NOT입니다. 즉 OR gate의 complement라고 할 수 있습니다.
2 Input OR라고 했다면 입력이 X, Y이고
OR의 NOT이기 때문에 OR 한 뒤에 NOT을 작성한 것입니다.
진리표는 다음과 같습니다.

NOR 게이트의 진리 값은 1 0 0 0이라고 외워두면 편리합니다.
타이밍 다이어 그램은 다음과 같습니다.



NOR 게이트도 등가 회로가 있습니다.

입력에 NOT을 취하고 출력에 NOT을 제거한 뒤
OR를 AND게이트로 바꾸어줍니다.
게이트의 출력 F에 대한 드 모르간 법칙이 서로 성립합니다.

입력이 3개인 NOR 게이트도 있습니다.
OR 한 다음 NOT을 취하면 됩니다.

진리표는 다음과 같이 나타낼 수 있습니다.

타이밍 다이어 그램은 다음과 같습니다.

NOR 게이트도 universal의 특성을 가지고 있습니다.
입력을 2개 묶어서 하나로 들여보내면 NOT게이트와 같은 기능을 합니다.
NAND와 같은 원리입니다.

X가 0일 때 회로의 출력이 1이구나 하는 것을 알 수 있습니다.
0의 반대 값이 나온다는 것을 알 수 있습니다.
회로의 입력이 1일 때 출력이 0이 나온다.
NAND게이트, NOR 게이트 NOT을 만드는 방법은 동일합니다. 입력하나를 두 개로 분기해서 NOR 게이트로 출력하면 됩니다.
NOR 게이트가 2개 있으면 OR를 만들 수 있습니다.

X+Y의 NOT이기 때문에
/(X+Y)가 됩니다.
//(X+Y)

빨간 네모 안에 있는 회로 전체를 OR게이트라고 생각하면 됩니다.
그리고 NOR 게이트 3개를 이용해서 AND를 만들 수 있습니다.
NOR가 OR의 NOT입니다.
빨간 네모 전체가 AND회로와 같은 역할을 한다는 것을 알 수 있습니다.


NOR 게이트만 사용해서 회로를 만들 수 있는데 POS로 만들 수도 있습니다.
다음과 같은 논리 함수가 주어져있습니다.

다음과 같이 나타낼 수 있습니다.

다음과 같이 나타내는 것도 가능합니다.
NOT을 씌워서 나가고 NOT을 씌워서 들어가기 때문에 아무 영향도 미치지 않습니다.

NOR만 사용해서 나타내야 한다면 NOT게이트를 NOR 게이트로 변경해주면 됩니다.

SOP로 최적화되어있다면 NAND만 사용해서 표현할 수 있고
POS로 최적화되어있다면 NOR만 사용해서 구현할 수 있습니다.
예제3

F가 Maxterm의 곱으로 주어져있습니다.
1) NAND게이트만 사용해서 구현
2) NOR 게이트만 사용해서 구현해봅시다.
sop로 최적화했다면 NAND로만 표현가능하고
pos로 최적화했다면 NOR로만 표현이 가능합니다.
이 문제에대한 풀이는 다음 포스트에 있으니 참고하시면 됩니다.
도움이 되셨다면 로그인이 필요없는 하트버튼 한번 부탁드립니다!!
'내가 공부한 3학기 전공 > 내가 공부한 논리회로 설계' 카테고리의 다른 글
| 내가 공부한 논리회로 설계 22. Combinational circuit Design(Mathodology_Examples)_Majority v (0) | 2020.06.11 |
|---|---|
| 내가 공부한 논리회로 설계 21.XOR,XNOR게이트_Propagation delay.etc... (1) | 2020.05.31 |
| 내가 공부한 논리회로 설계 19. POS_Don't Care (0) | 2020.05.19 |
| 내가 공부한 논리회로 설계18. PI, EPI (0) | 2020.05.19 |
| 내가 공부한 논리회로설계 17.k-map(4 inputs) (1) | 2020.05.11 |