공머씨의 블로그
내가 공부한 논리회로 설계 10. Combinational logic circuits 본문
새로운 단원에 접어들었습니다.
이번 시간에는 조합회로를 공부해보도록 하겠습니다 .
목차는 아래와 같습니다.

2.1 먼저 Binary Logic (이진 논리)에 대해 공부합니다.
논리라고 하면 어렵다고 생각할 수있지만 실제로는 아주 간단하다고 하십니다.
Binary Logic을 다루는 Gate에 대해서도 공부해봅니다.
2.2 Boolean Algebra
이진논리를 다루는 수학 > 불대수에 대해서 공부합니다.
이를 통해 회로를 간단히 하는 방법을 알 수 있습니다.
2.3 Standard Forms
회로를 간단히 하는방법에는 두가지가 있는데 첫번째는 불대수를 이용해서,
두번째는 카르노맵을 이용해 간단히 하는 방법이 있습니다.
2.4 Circuit Optimization
위의 2.2 2.3을 이용해서 최적화하는 방법을 배우게 됩니다.
차근차근 배울것이니 생소하더라도 걱정하지않아도 됩니다.
2.5
그외의 nand 나 nor 등의 Gate에 대해서도 배우게 됩니다.
2.6
2.7
소소한 이야기들
일단 기본적인 개념들을 잡아봅니다.
1. Binary logic (이진 논리)
이거아니면 저거 를 선택하는 것입니다. 중간의 제 3지대는 없습니다.
아래와 같이 two level을 갖고있는 논리를 Binary logic라고 합니다.
-on off
-High, Low
-5v, 0v
-Connect, Disconnect
-1, 0
위와 같은것들을 모두 Binary logic (이진논리)라고 부릅니다.
양자택일 입니다.
그래서 이런 모든 것들을 앞으로 1이냐 0이냐 라고 이야기하겠습니다.
5v>>1에 대응
그래서 앞으로1인지 0인지만 따지게 됩니다.
2. Logic Gate
Binary logic을 다루는 Gate라고 생각하면 됩니다.
Gate는 출입구라기보다는 어떤기능을하는 하드웨어, 소자라고 이해하면 됩니다.
이번시간에는 OR,AND,OR Gate를 공부할 것입니다.
그중에 하나만 예를 들면
AND게이트는 다음과 같이 그려집니다.

입력이 2개 있고 , 출력이 하나있습니다
입력으로 들어갈수있는것은 0또는 1
출력으로 나올수 있는 것도 0또는 1입니다.
F는 출력:
이런것들이 Logic Gate입니다.
이런 형태의 게이트를
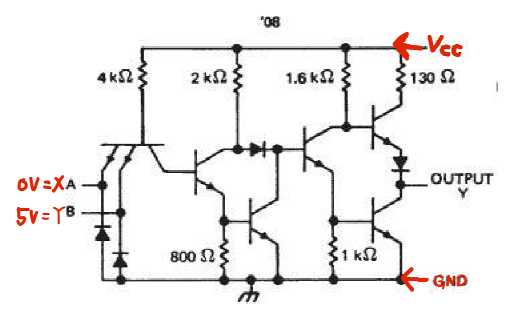
실제로 뜯어보면 다음 그림과 같은 구성을 가진다고 합니다.

전기회로에서 배우는 저항들
전자회로에서 배우는 다이오드와 트랜지스터
이렇게 회로를 꾸미면 x에 0v를 가하고 Y에 5v를 가하면 0v가 나오는 그런 gate가 만들어지게 됩니다.
전기회로 전자회로에서 배우는 소자들로 구성된다 라고 알고 있으면 됩니다.
첨언하자면 모든 전기소자는 전원을 공급해야 동작하므로 Vcc라는 입력도 있습니다.
밑에있는 GND는 Ground로 접지를 뜻합니다.
기본적으로 Vcc와 GND는 당연히 있어야 합니다.
Binary Logic
정의 : 0또는 1을 값을 갖는 2진논리
Binary Variabled: 처음 입력할때 0인지 1인지 모르기때문에 0또는 1을 변수로 지정합니다.
영어 대문자로 표기합니다.
ex) A,B,C,X,Y,Z
3. Binary Operations
기본적인 동작은 아래와 같이 3가지가 있습니다.
NOT
Symbol: bar 모양 또는 /로 표기합니다.
EX: F=/X또는 F=X(위에 작대기 표시)
>> X not , X 의 not라고 읽습니다.
OR
symbor: '+'
EX: X+Y
>> X or Y라고 읽습니다.
AND
Symbol: ·(dot-내적기호) 또는 생략
EX: F=X ·Y 또는 F=XY
>> F는 XY("에프는 엑스와이")라고 읽습니다. (굳이 AND를 읽지 않습니다.)
그리고 Binary logic을 다루는 logic gate가 있습니다.
- NAND, NOT, AND, OR, … (Gate)
- 7400, 7404, 7408, 7432, … (소자들이 여러개 모여있는 칩들)
정의 : Binary logic을 처리하는 소자이다.
다음 그림과 같이생겼습니다.

다리가 14개 정도 있고 좌우를 구별하기 위해 한쪽에 오목한 홈이 파여져있습니다.
1A 1B 입력 1Y 출력
2A 2B 입력 2Y 출력
....
위와 같은 형태로 1에서 4까지 총 4쌍이 있습니다.
아래 그림같이 위의 칩 이름과 아래의 숫자가 일대일로 대응됩니다.
추후 실험과목수강시에 재밌게 할 수 있습니다. (시계도 만들 수 있다.)
4. 우리가 앞으로 많이 사용하게될 도구를 알아보겠습니다.
4-1.진리표(Truth Table)
왼쪽에는 입력이 오른쪽에는 출력이 적혀있습니다.

입력 으로 가능한값 (X,Y로 가능한 값)
0또는 1입니다.
총 가능한 입력의 조합은 4개 입니다.
출력은 0또는 1의 값을 가질 수 있습니다.
4-2. 타이밍 다이어 그램 (Timing Diagram)
시간흐름에 따라서 입력과 출력을 그려놓은 표를 의미합니다.
(시간이 왼쪽에서 오른쪽 으로 흘러갈때 )
입력의 파형이 2가지가 있고
출력의 파형이 입력에따라 결정되는 한가지가 있습니다.
대강 아래의 그림과 같이생겼습니다.

<본격적으로 3가지 Gate에 대해 공부 하겠습니다.>
5. NOT Gate
5-1. 아래그림과 같이 생겼습니다. (끝나는 부분에 작은 동그라미도 반드시 그려주어야 합니다.)

입력이름 출력이름을 어떤 대문자로 해도 상관은 없습니다.
동작은 입력된값의 반대값을 출력하는 것 입니다.
X가 만약 0v라면 F는 5v가나오도고, X가 1이면 0이 나옵니다.
만들어 놓은 회로입니다.
이 회로를 인버터라고도 합니다.
또 출력쪽에 있는 작은 동그라미 모양은 반전표시자입니다.
반전표시자가 그려져있는 게이트는 반전시키는 역할을 수행합니다. (ex-NOR Gate, XOR Gate....)
반전표시자를 '버블'이라고도 부릅니다.
추가로 NOT회로는 보수연산을 수행하는데 사용된다고 합니다.
5-2. 진리표는 아래와 같습니다.

소자의 입력은 하나밖에 없으므로 입력은 0또는 1밖에 없습니다.
진리표를 만들라고 하면 두줄을 만들면 됩니다.
수식으로는 진리표의 아래에 써있는 수식처럼 그립니다.
Bar가안보일것 같아서 다시그립니다.

"첫 시간에 조합회로는 출력이 입력의 함수다"라고 이야기 했습니다.
입력이 결정되면 출력이 바로 결정되는 것 입니다.
5-3. 아래 사진은 타이밍 다이어 그램입니다.
X의 파형이 검정색으로 나와있다면
출력F를 손으로 가리고 직접 그릴 수 있어야 합니다.

참고: 아래는 7404라고 하는 칩입니다.
NOT Gate가 7개 들어있는 형태입니다.1에 입력하면 2로 출력이 나오는 형태군요

조합회로의 회로(심볼)를 그릴 수 있어야 하고
진리표
수식
타이밍 다이어 그램
을 그릴 수 있어야 합니다.
하나가 주어졌을때 나머지 3개를 작성할 줄 알아야 합니다.
6. OR Gate
6-1. 심볼은 다음과 같이 생겼습니다.
다음과 같은 수식으로 작성됩니다.
F=X+Y

OR Gate의 진리표는를 논리값으로 설명해보겠습니다.
0과 0을 넣으면 출력은 0
0과 1을 입력하면 출력은 1
입력이 1, 1이면 출력은 1
입력이 1이고 출력이 0이면 출력은1
입니다.
입력중 하나라도 1이있으면 1을 출력
1이 없으면 0을 출력
이라고 기억해두면 되겠습니다.
6-2.아래와 같은 진리표를 작성할 수 있습니다.

6-3. 위의 내용으로 타이밍 다이어그램을 만들면 다음과 같습니다.

출력F를 그리시오... 하는건 너무쉽습니다.
그래도 처음 공부할때느 한번 그려보도록 합니다.
7432라는 칩에는 아래와 같이 OR Gate가 4개가 들어있습니다.

Vcc에는 5v, GND에는 0v를 걸어야 합니다.
7. 입력이 3개인 OR Gate도 있습니다.
7-1.심볼은 다음과 같이 그립니다.

위의 OR Gate와 마찬가지로 1이 하나라도 있으면 1이 출력되고
1이 아예없으면 0이 출력됩니다.
7-2.다음과 같은 진리표를 그릴 수 있습니다.

7-3.타이밍 다이어그램은 다음과 같습니다.
한번 F를 손으로 가리고 그려보시기 바랍니다.

수식은
F=X+Y+Z 가 되겠습니다.
8. AND Gate
8-1. 심볼은 다음과 같습니다.

OR Gate와 반대로 입력중 하나라도 0이면 0이 출력되고 모두1일때만 1이 출력됩니다.
8-2. 진리표를 그려보시기 바랍니다. (입력이 2개인 경우)
수식은 다음과 같습니다.
F=XY

8-3. 타이밍 다이어 그램의 예시는 아래와 같습니다.
출력을 안보고 그려보시기 바랍니다.

9. 3-input AND Gate에 대해 알아보겠습니다.

9-1.입력이 3개인 진리표를 직접 그려보시기 바랍니다.

9-2. 타이밍 다이어 그램의 예시는 다음과 같습니다.

확실히 외워야 헷갈리지 않습니다.
'내가 공부한 3학기 전공 > 내가 공부한 논리회로 설계' 카테고리의 다른 글
| 내가 공부한 논리회로 설계12.불대수를 이용한 최적화 (0) | 2020.04.26 |
|---|---|
| 내가 공부한 논리회로 11. 불대수(Boolean Algebra) (0) | 2020.04.24 |
| 내가 공부한 논리회로 설계 9.CODE (2) | 2020.04.16 |
| 내가 공부한 논리회로설계8. Complement Number2. (0) | 2020.04.12 |
| 내가 공부한 논리회로 설계7-Operations(사칙연산 2),Complement Number (0) | 2020.04.12 |